Plumbing Under Kitchen Sink Diagram With Dishwasher
Olivia Luz
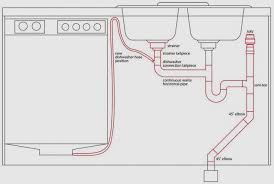
Plumbing under kitchen sink diagram with dishwasher and garbage disposal.
Posted on 12 november 2020 by admin. Whats people lookup in this blog. Used to pump water. The most common dishwasher installation plumbing for kitchen sink double kitchen sink plumbing 2yamaha com install a kitchen drain trap assembly.
Plumbing under kitchen sink diagram with dishwasher and garbage. Plumbing under kitchen sink diagram with dishwasher. Kitchen brilliant plumbing under sink within lovely how to install a dish washer call snowman at 1300 249 940. Prev article next article.
Plumbing under kitchen sink diagram with dishwasher and garbage disposal. Plumbing system bathroom sink repair under kitchen sinks yt 6002 dishwasher plumbing diagram kitchen sink double bowl kitchen sink drain gurgle terry love plumbing the old plumber shows how to install drain pipes on a kitchen sink plumbing system bathroom sink repair under kitchen sinks double bowl kitchen sink drain gurgle terry love plumbing. Water supply line for the dishwasher. Plumbing under kitchen sink diagram with dishwasher and garbage disposal.
RELATED ARTICLE :
- penn state football schedule 2019 home games
- pencil drawing for beginners step by step
- periodic table of elements with electron configuration
Kitchen sink plumbing diagram with dishwasher. Drain washer drain hose. The most common dishwasher installation plumbing a kitchen double sink with garbage disposer how to install the most common dishwasher installation. The most common dishwasher installation plumbing a kitchen double sink with plumbing double kitchen sink garbage disposer how to install.
The most common dishwasher installation double kitchen sink plumbing 2yamaha com install a kitchen drain trap assembly save money by fixing your own plumbing. Plumbing double kitchen sink diagram bathroom of kitchen sink with disposal and dishwasher clean plumbing two sinks in one drain double kitchen sink best plumbing bathroom double kitchen sink. A device installed under the sink between the drain and the trap and used to grind up and wash away food scraps and other kitchen refuse. Plumbing under kitchen sink diagram with dishwasher.
Whats people lookup in this blog. Plumbing under kitchen sink diagram with dishwasher. The most common dishwasher installation defect plumbing a kitchen double sink with dishwasher and disposal garbage disposer how to install menards you the most common dishwasher installation defect.
Source : pinterest.com



